Zum Shop

News, Galerien, Videos

Sonntag, 18.03.2018 Baupraxis: Tuning für den Gabelkopf

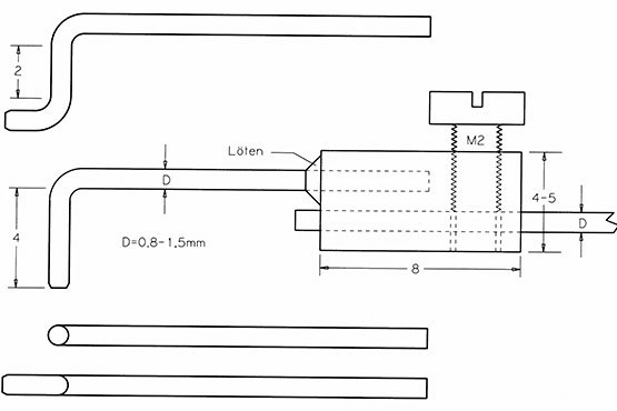
Den Quick-Link-Gabelkopf (QLG) gibt es seit rund 40 Jahren. Schnell und völlig zu Recht verdrängte der QLG seine Vorgänger aus Kunststoff, weil er diesen an Belastbarkeit und Langlebigkeit weit überlegen war. Nicht etwa, dass der QLG perfekt wäre: Der Durchmesser des Zapfens ist noch immer bei vielen (nicht allen) Exemplaren mit 1/16 Zoll etwas zu dick für Servoscheiben mit 1,5-mm-Bohrungen. Dem kann mit einem 1,6-mm-Spiralbohrer abgeholfen werden – wenn man diesen zur Hand hat. Die schwerwiegendere Achillesferse des QLG ist vielmehr der übliche Gestängeanschluss mittels Löthülse mit Gewindezapfen zur Längeneinstellung. Die Löthülse war durchaus sinnvoll als Endverschluss der früher üblichen Seilzüge zur Ruderanlenkung. Bei Anlenkungen mit Federstahldrähten oder mit Schubstangen gibt es aber eine bessere Lösung, Dr. Horst Torunski erklärt sie in der aktuellen Ausgabe.

Artikel lesen

Zurück zur Übersicht